咨詢電話
13924666952
400-158-1606

全系標配Modbus RTU通信協議,并配有ServoTuner上位機軟件;
驅動器使用基于ARM Cortex M3/M4/R4F內核處理器,主頻最高可達600MHZ,采用FOC矢量控制算法;
伺服支持位置/速度/扭矩三閉環控制,電流環帶寬最高可達3.2kHz,速度環帶寬高于200HZ;
支持16~70VDC寬范圍的供電電壓,特別適用于電池供電的移動場合;
伺服系統使用環境溫度為-40℃~40℃。
SSZJ1B系列低壓伺服驅動器,為閘機行業應用,系列產品功率可支持100W、200W、400W功率段。最大電流峰值40A,支持RS485總線控制模式。
低壓伺服驅動器選型

產品特點
(1)全系標配Modbus RTU通信協議,并配有ServoTuner上位機軟件;
(2)驅動器使用基于ARM Cortex M3/M4/R4F內核處理器,主頻最高可達600MHZ,采用FOC矢量控制算法;
(3)伺服支持位置/速度/扭矩三閉環控制,電流環帶寬最高可達3.2kHz,速度環帶寬高于200HZ;
(4)支持16~70VDC寬范圍的供電電壓,特別適用于電池供電的移動場合;
(5)伺服系統使用環境溫度為-40℃~40℃。
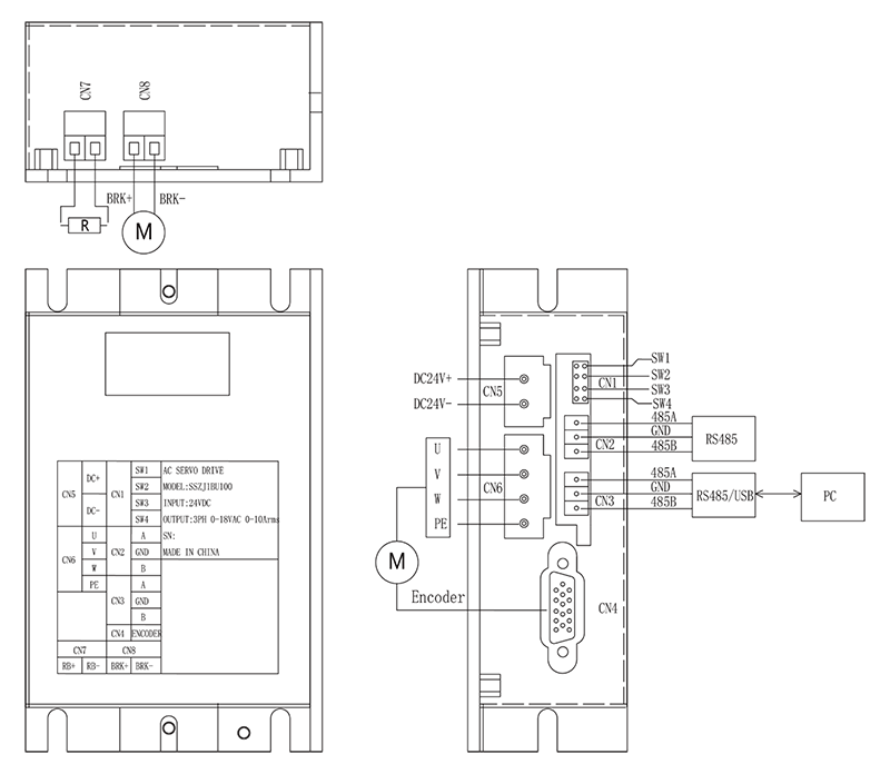
低壓伺服驅動器電氣接線圖:

低壓伺服驅動器尺寸圖:

注:電機尺寸根據實際使用功率大小,咨詢業務索?。?br/>
版權所有 ? 深圳市華成工業控制股份有限公司 未經許可不得復制、轉載或摘編,違者必究 版權聲明
Copyright ? Shenzhen Huacheng Industrial Control Co., Ltd. All Rights Reserved.
網站ICP備案號: 粵ICP備19106162號
技術支持:新新網絡